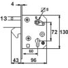
Description
Gâche électrique en applique pour portail
- Boîtier en zamak – Réversible
- À RESPECTER IMPÉRATIVEMENT :
 Ces gâches respectent la norme CE. Elles sont prévues pour une alimentation électrique en 0,9 A (12 V CA) ou en 1,2 A (12 V CC).
 ATTENTION : TEMPS D’IMPULSION = 10 SECONDES MAXI.
 Les gâches électriques présentes sur cette page ne sont pas étanches.
- Finition noir 9005 ou blanc 9016
Référence fabricant : GN792001 / GN791001


































Avis
Il n’y a encore aucun avis